|
Deposit Synonyms
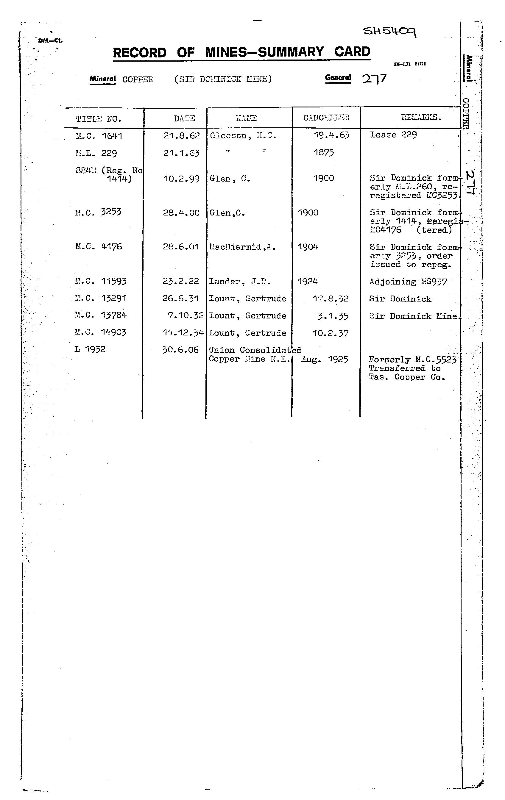
Dominick; Yudnamutana 8
Mineral District
Yudnamutana Copper
Deposit Summary
secondary Cu ores in crush zones of the Jubilee Fault. Host was metasediment of the Wywyana Formation. Production >500 tonnes, no yields or grades identified. Exploration in the 1990s for 10m wide zone at 1.49 ppm Au SE of the Sir Dominic area.
Deposit Description
SIR DOMINIC, historic workings developed on copper carbonate mineralisation located on a zone of 3 sub-parallel, EW-trending shears associated with the regional Jubilee Fault. Mineralisation included zones of rich secondary copper carbonate ore mainly in the form of nodules and crystal aggregates of oxidised copper minerals, minor secondary sulphides. Host is strongly sheared, kaolinitic metasediment of the Wywyana Formation, also the Wooltana Volcanics, and the Blue Mine Conglomerate.
Mining activity was intermittent from 1862-1920. Historic production records are incomplete, with reports indicating the mine probably produced a locally significant amount of high grade copper ore, with perhaps as much as 500 tonne produced in 1910 when operated by the Lyndhurst Copper Mining Company. There are scattered workings, with a second shaft located ~170m south, and with other workings located ~300m NW on the south side of the creek.
The area was part of an exploration initiative in the 1980s to early 1990s, mainly for gold. Rock-chip sampling along the line of the Jubilee-Daly Fault, and in the vicinity of the Sir Dominic workings revealed a 10m wide zone at 1.49 ppm Au southeast of the Sir Dominic area.
Discovery Year
< 1862
Commodities
Copper, Gold
Ore Minerals
Azurite, Bismuthinite, Cuprite, Malachite
Gangue Minerals
Kaolinite, Quartz
|